Sign In | Join Free | My benadorassociates.com
China WD Bearing Group logo
WD Bearing Group
WD Bearing Group Quality Creates Value
Active Member

14 Years

Home > Pillow Blocks Bearings >

Pillow blocks CSB series CSB206-17 206-18

WD Bearing Group
Contact Now

Pillow blocks CSB series CSB206-17 206-18

Place of Origin : China

Brand Name : WD

Certification : ISO9001, ISO14001

Packaging Details : industrial packing or individual packing

Delivery Time : 45-75 days

Payment Terms : T/T or L/c

Supply Ability : 30 million USD/year

Contact Now

Pillow blocks are advanced applied in places with simple equipment and spare parts, such as agricultural machines, convey system or construction machines.One unit of pillow block consists of a deep groove ball bearings with a spherical outer rings closed in double sides and a housing made by gray cast iron or punches steel.


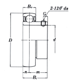
Bearing No CSB206-17      206-18
in 1-1/4
mm 30
D 62
Bi 30
Be 16
r 1.5
n 8
m 22
G 5.5
ds M6*1
Basic Dynamic Load Rating  1550
Basic Static Load Rating  1020
Mass 2.80 2.60 2.60 2.50

Product Tags:

pillow block bearings

      

housing bearings

      
Quality Pillow blocks CSB series CSB206-17 206-18 for sale

Pillow blocks CSB series CSB206-17 206-18 Images

Inquiry Cart 0
Send your message to this supplier
 
*From:
*To: WD Bearing Group
*Subject:
*Message:
Characters Remaining: (0/3000)